Revista Científica, Volumen 1(1) noviembre, 2022.
Dr. C. Luis Alberto Gordillo Hornedo1 https://orcid.org/0000-0001-7075-5642
Centro de Gestión de Redes (CGRC) y Comunicaciones, del Complejo I+D+I. Empresa SEISA. La Habana, Cuba.
Correo electrónico: isabel.garcia@ucpejv.edu.cu
Recibido: 05 de septiembre 2022.
Aceptado: 22 de octubre 2022.
RESUMEN A partir de la situación encontrada en la red de datos de la empresa SEISA, en los inicios del proyecto de investigación para implementar una red de mayor velocidad; se destaca la realización del mapa de interconexión logrado, su impacto sobre las ideas a desarrollar para el diseño de la red y la necesidad de una valoración profunda al trabajar una plataforma sobre la cual se implementa el proceso de digitalización empresarial actual. Palabras clave: Red de alta velocidad; mapa de interconexión. |
ABSTRACT From the situation found, in the data network of the SEISA company, at the beginning of the research project to implement a higher speed network; The realization of the interconnection map achieved is highlighted, its impact on the ideas to be developed for the design of the network and the need for a deep assessment when working on a platform on which the current business digitalization process is implemented. Keywords: High speed network; interconnection map. |
En el sistema empresarial actual se exigen grandes volúmenes de información digital, se despliegan sistemas con complejos procesos que representan cada una de las ramas de la cadena productiva, organizativa y de control y protección, que exigen la actualización de equipos e infraestructura, obligando a la implementación de plataformas con tecnologías de alta velocidad.
En la sede central de la empresa SEISA, se desarrollan actividades dirigidas a constituir un complejo industrial de alta tecnología, la digitalización de todos los procesos, el uso de sistemas integrales para el control y desarrollo de los diversos procesos productivos, y se llevan a cabo investigaciones orientadas a la obtención e implementación de objetos y procesos tecnológicos que exigirán, de los soportes de telecomunicaciones, mejoramientos indispensables de sus prestaciones en velocidad, la reducción de retardos y el monito- reo que asegure la predicción de interrupciones de servicios, entre otros.
SEISA está conformada por una sede central ubicada en calle 87 entre 114 y 122, Marianao, La Haba- na. En esta instalación se encuentra el ápice estratégico conformado por la Presidencia, el Complejo Industrial, el Complejo I+D+I y algunos componentes de la tecno-estructura como son las direcciones, la división de apoyo, algunas de las gerencias que se convertirán en empresas filiales y una de las sucursales que la conforman (AYAX) (ver figura 1).

Fig. 1- Estructura Sede Central
Para garantizar la interconexión a toda la infraestructura de forma integral, la red corporativa SEISA cuenta con el flujo de una VPN a 80 Mbps contratada a ETECSA, a la cual confluyen la mayoría de los enlaces de conectividad de las sucursales con el uso de ADSL, VDSL, FO en el lazo de abonado de cada una, el Hosting y el servicio de APN, un flujo de 20 Mbps para los servicios de internet y un flujo de otra VPN a 2 Mbps para la conectividad con la OSDE.
Luego de un diagnóstico visual, entrevistas con especialistas de la red y mediciones desarrolladas, se determinó que la velocidad máxima alcanzada por la red local era de 100 Mbps; asegurada por la composición actual de los medios que utiliza y de flujo contratado que se recibe desde el exterior de la sede.
Durante varios meses se analizó cuál era el diagrama de red existente, y una vez logrado, determinar la topología lógica presente y su arquitectura física, y sobre esa base, poder definir medidas a adoptar para su rediseño, buscando soluciones para elevar la velocidad de la red lo- cal inicialmente, y con ello, estar a tono con el proceso de digitalización de la empresa.
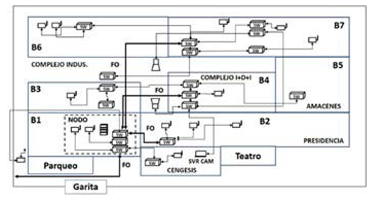
Hubo un diagrama inicial logrado (ver figura 2), pero este no permitía un análisis más pro- fundo para tomar soluciones técnicas futuras.

Fig. 2- Diagrama de red inicial logrado.
En la última etapa de su vida, aunque se retiró de la labor docente, Varona no abandonó su actividad vinculada a las ciencias pedagógicas, como lo demuestra el hecho que en 1917 presidiese la Sociedad Cubana de Estudios Pedagógicos. Al respecto Roa (1965) considera que: “A Varona se debió la transformación Luego de la revisión de esquemas existentes, del estudio de las interconexiones físicas analizadas en cada uno de los nodos de la red, de la observación de las conexiones presentes en los puertos de los dispositivos conmutadores (switch en inglés), de las conversaciones desarrolladas con los administradores de red, de los análisis efectuados de tesis de maestrías e ingeniería (Rodríguez Preciado, N. J. 2020, Huamán Montes, K. E. 2014, Álvarez Paliza, F. 2020, Trujillo Díez, P. 2019, Osores Ramos, J. J. 2015, Flores Robaina, R. 2021) sobre diseño de redes entre otras fuentes, así como de la revisión y estudio de las características de los dispositivos de red utilizados; se obtuvo un diagrama que contribuyó considerablemente al posterior enrutamiento de las ideas sobre cómo implementar medidas para elevar la velocidad de la red.
A partir de este diagrama y la ubicación más exacta de la interconexión de los dispositivos de red, se logró implementar un mapa de interconexión de los mismos, que mostró la realidad que presenta la red de datos, tanto de forma positiva como negativa (ver figura 3).

Fig. 3- Mapa de interconexión mejorado
El diagrama encontrado y el estudio de trabajos de diseños de red realizados por universidades nacionales e internacionales (Rodríguez Preciado, N. J. 2020, Huamán Montes, K. E. 2014, Álvarez Paliza, F. 2020, Trujillo Díez, P. 2019, Osores Ramos, J. J. 2015, Flores Robaina, R. 2021) arrojó la precisión de los pasos estimados para el diseño, las medidas a adoptar para asegurar, no solo la interconexión correcta y la determinación de los flujos de red; sino, además, la constatación de las medidas de seguridad y protección adoptadas y cómo se podían establecer otras, acorde con lo establecido en documentos rectores de la seguridad informática en Cuba (Decreto-Ley No. 360
Decreto Ley No. 370, Decreto-Ley 35/2021).
A partir del diagrama de red logrado, se pudieron determinar una serie de aspectos que impactaron en la toma de decisiones e ideas de desarrollo posteriores como:
Se constataron vulnerabilidades físicas presentes en las re- des de alimentación que proveen de energía a la red local de datos.
En una primera aproximación analizada por varios miembros del CGRC se llegó a que, para mejorar la velocidad de la red y llevarla a una red de alta velocidad, era necesario, primero, elevar la velocidad del segundo segmento de red o red de distribución a 10 Gbps, con el consiguiente cambio de los subnodos a emplear.

Fig. 4. Mapa de interconexión para elevar la velocidad.
Álvarez Paliza, F. (2020) Diseño de Redes Empresariales Modernas. Universidad Central “Marta Abreu” de las Villas. Cuba https://www.researchgate.net/publication/346607424
Decreto Ley No. 370 Informatización Sociedad Cubana, 2018
Decreto-Ley 35/2021 “De las Telecomunicaciones, las Tecnologías de la Informa- ción y la Comunicación y el uso del Espectro Radioeléctrico” (GOC-2021-759-O92).
Decreto-Ley No. 360 seguridad de las TIC y defensa del ciberespacio nacional. 2019
Flores Robaina, R. (2021) Rediseño de la infraestructura de red local del Centro de Investigaciones Médico Quirúrgicas (CIMEQ). Cuba. Revista Cubana de Informática Médica.
Hospina Gonzales, M. R. (2017) Diseño e implementación de VLANs para mejorar la eficiencia en la transmisión de datos en la Municipalidad Provincial de Huancayo. Tesis de ingeniería de la Universidad Huancayo. Perú.
Huamán Montes, K. E. (2014) Diseño y aplicación de una red de telecomunicaciones de banda ancha para reducir los niveles de brecha digital en la región Pasco. Tesis de ingeniería de la Universidad Huancayo. Perú.
Osores Ramos, J. J. (2015) Rediseño de la infraestructura de LAN Switching de capas 2, 3 y 4 para mejorar el rendimiento de los servicios de red de la empresa minero metalúrgica Doe Run del Perú. S.R.L. unidad la Oroya. Tesis de ingeniería de la Universidad Huancayo. Perú.
Rodríguez Preciado, N. J. (2020) Diseño de una red inalámbrica para optimizar la seguridad de conexión de una red corporativa mediante un servidor. Tesis de ingeniería de la Universidad de Guayaquil, Ecuador.
Trujillo Díez, P. (2019) Diseño de una Red Corporativa para un Edificio Empresarial. Tesis de ingeniería de la Escuela Politécnica de Madrid. España.
Conflicto de intereses:
Los autores declaran no tener conflictos de intereses.
Contribución de los autores:
Los autores participaron en el diseño y redacción del trabajo, y análisis de los documentos.
Esta obra está bajo una licencia de Creative Commons Reconocimiento-NoComercial 4.0 Internacional
Copyright (c) Dr. C. Luis Alberto Gordillo Hornedo